DEUBLIN | The Netherlands

product selection by media | air , vacuum, hydraulic | mono channel



Voor doorvoeren van Deublin geschikt voor lucht & vacuum met 1 doorgang (mono) zijn de volgende parameters beschikbaar:

Beschikbare aansluitingen: DN10 - DN50.
Beschikbare rotoren: schroefdraad (RH & LH).
Beschikbare schroefdraad soorten: diversen.

Met uw selectie zijn ongeveer 90 doorvoeren beschikbaar. Maak uw keuze uit de series hieronder.

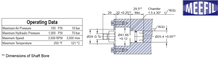
DEUBLIN DOORVOEREN SERIE 1005

BASISGEGEVENS:

Maximale werkdruk: 10 bar
Maximale temperatuur: 120 gr. C.
Beschikbare doorlaat: DN 6 t/m DN 40
Toerental max. : tot 3500 TPM

POP-UP AFBEELDING(EN):


DEUBLIN DOORVOEREN SERIE 'IN-THE-SHAFT'

BASISGEGEVENS:

Maximale werkdruk: 10/70 bar
Maximale temperatuur: 120 gr. C.
Beschikbare doorlaat: DN 6 t/m DN 10
Toerental max. : tot 3500 TPM

POP-UP AFBEELDING(EN):


DEUBLIN DOORVOEREN SERIE 14000

BASISGEGEVENS:

Maximale werkdruk: 10 bar
Maximale temperatuur: 120 gr. C.
Beschikbare doorlaat: DN 10 t/m DN 50
Toerental max. : tot 1500 TPM

POP-UP AFBEELDING(EN):



DEUBLIN DOORVOEREN SERIE 17/21

BASISGEGEVENS:

Maximale werkdruk: 10 bar
Maximale temperatuur: 120 Gr. C.
Beschikbare doorlaat: DN 8 t/m DN 15
Toerental max. : 250 TPM

POP-UP AFBEELDING(EN):